| Sign In | Join Free | My wneducation.com |
|
Brand Name : YDPB
Model Number : XA 342253N
Certification : ISO
Place of Origin : Luoyang,China
MOQ : 1PCS
Price : 1$
Payment Terms : T/T, Western Union, MoneyGram
Supply Ability : 1000pcs/month
Delivery Time : 5-7days
Packaging Details : bearing+thin plastic film+waterproof paper+thin foam+carton/wooden cases
Model : XA 342253N
Material : 50Mn Or according to you
Structure : Cross roller bearing
Dimension : XA 342253N
Application : Manipulators
Name : INA Cross roller bearing slewing rings
XA 342253N Cross roller bearing XA 282304N slewing rings XA 402355 external gear XA 452815N replace INA brand XA 452935
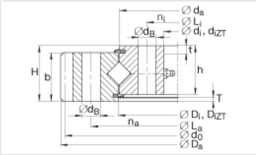
Structure and Parameters:

| Model | INA | Outer dimension (mm) | Mounting dimensio n(mm) | Gear datas (mm) | Axial Static load rating (KN) | Weight (KG) | |||||||||||
| Da | D | di | H | La | Li | n1 | n2 | φ1 | φ2 | m | z | do | x | ||||
| XOU10/235 | XA 120235N | 318.8 | 171 | 40 | 275 | 195 | 12 | 12 | 13 | 13 | 4 | 78 | 312 | 280 | 13 | ||
| XOU20/307 | XA 180307N | 408.4 | 235 | 55 | 358 | 259 | 24 | 24 | 13 | 13 | 5 | 80 | 400 | 450 | 29 | ||
| XOU15/407 | XA 160407N | 503.3 | 335 | 50 | 455 | 359 | 30 | 30 | 13 | 13 | 5 | 99 | 495 | 600 | 33 | ||
| XOU25/475Y | XA 260475N | 598.2 | 382 | 65 | 540 | 410 | 36 | 36 | 16 | 16 | 6 | 98 | 588 | 1060 | 64 | ||
| XOU30/560 | XA 280560N | 708 | 464 | 87 | 628 | 492 | 56 | 56 | 16 | 16 | 10 | 69 | 690 | 1245 | 110 | ||
| XOU15/540 | XA 140540N | 640.3 | 471 | 48 | 585 | 495 | 40 | 40 | 13 | 13 | 6 | 105 | 630 | 770 | 39 | ||
| XOU15/596 | XA 160596N | 712.3 | 510 | 55 | 650 | 542 | 24 | 24 | 18 | 18 | 6 | 117 | 702 | 880 | 63 | ||
| XOU15/640 | XA 140640N | 742.3 | 571 | 50 | 685 | 595 | 44 | 44 | 13 | 13 | 6 | 122 | 732 | 910 | 50 | ||
| XOU25/685 | XA 240685N | 830.1 | 577 | 68 | 753 | 617 | 24 | 24 | 22 | 22 | 8 | 102 | 816 | 1380 | 115 | ||
| XOU20/720 | XA 200720N | 844.3 | 630 | 59 | 780 | 662 | 30 | 30 | 18 | 18 | 6 | 139 | 834 | 1180 | 87 | ||
| XOU15/753 | XA 140753N | 862.3 | 674 | 50 | 800 | 706 | 28 | 28 | 18 | 18 | 6 | 142 | 852 | 1060 | 65 | ||
| XOU20/818 | XA 200818N | 940.1 | 728 | 60 | 875 | 760 | 36 | 36 | 18 | 18 | 6 | 155 | 930 | 1460 | 100 | ||
| XOU30/845 | XA 280845N | 1008 | 730 | 87 | 920 | 770 | 40 | 40 | 22 | 22 | 10 | 99 | 990 | 1830 | 200 | ||
| XOU20/895 | XA 220895N | 1038.1 | 790 | 68 | 960 | 830 | 32 | 32 | 22 | 22 | 8 | 128 | 1024 | 1860 | 145 | ||
| XOU30/995 | XA 280995N | 1158 | 882 | 80 | 1068 | 922 | 40 | 40 | 22 | 22 | 10 | 114 | 1140 | 2550 | 210 | ||
| XOU20/978 | XA 220978N | 1110.1 | 883 | 68 | 1040 | 915 | 52 | 52 | 18 | 18 | 8 | 137 | 1096 | 2100 | 140 | ||
| XOU15/969 | XA 140969N | 1086.1 | 890 | 60 | 1015 | 922 | 36 | 36 | 18 | 18 | 8 | 134 | 1072 | 1400 | 105 | ||
| XOU35/1117 | XA 341117N | 1293.6 | 995 | 100 | 1198 | 1035 | 60 | 60 | 22 | 22 | 12 | 106 | 1272 | 3600 | 310 | ||
| XOU30/1213 | XA 301213N | 1389.6 | 1095 | 92 | 1290 | 1135 | 56 | 56 | 22 | 22 | 12 | 114 | 1368 | 3800 | 300 | ||
| XOU25/1320Y | XA 261320N | 1485.6 | 1210 | 85 | 1390 | 1250 | 52 | 52 | 22 | 22 | 12 | 122 | 1464 | 3800 | 285 | ||
| XOU35/1455 | XA 341455N | 1653.6 | 1317 | 95 | 1545 | 1365 | 56 | 56 | 26 | 26 | 12 | 136 | 1632 | 5100 | 430 | ||
| XOU30/1600Y2 | XA 301600N | 1803.5 | 1470 | 92 | 1682 | 1518 | 52 | 52 | 26 | 26 | 14 | 127 | 1778 | 4200 | 460 | ||
| XOU50/1790 | XA 501790N | 2027.5 | 1621 | 130 | 1905 | 1675 | 76 | 76 | 30 | 30 | 14 | 143 | 2002 | 8200 | 890 | ||
| XOU40/1765 | XA 401765N | 1971.5 | 1622 | 110 | 1860 | 1670 | 68 | 68 | 26 | 26 | 14 | 139 | 1946 | 6100 | 640 | ||
| XOU40/1832 | XA 401832N | 2041.5 | 1687 | 110 | 1930 | 1735 | 72 | 72 | 26 | 26 | 14 | 144 | 2016 | 6400 | 680 | ||
| XOU20/1821 | XA 221821N | 2013.1 | 1714 | 100 | 1886 | 1754 | 64 | 64 | 22 | 22 | 18 | 110 | 1980 | 3900 | 500 | ||
| XOU40/1985 | XA 401985N | 2229.1 | 1826 | 110 | 2089 | 1880 | 72 | 72 | 30 | 30 | 18 | 122 | 2196 | 6900 | 810 | ||
| XOU40/2130 | XA 402130N | 2381.4 | 1965 | 118 | 2235 | 2025 | 52 | 52 | 33 | 33 | 16 | 147 | 2352 | 7600 | 980 | ||
| XOU35/2253 | XA 342253N | 2457.6 | 2112 | 118 | 2345 | 2160 | 88 | 88 | 26 | 26 | 12 | 203 | 2436 | 5600 | 850 | ||
| XOU30/2304 | XA 282304N | 2493.4 | 2190 | 110 | 2378 | 2230 | 92 | 92 | 22 | 22 | 16 | 154 | 2464 | 5350 | 680 | ||
| XOU40/2355 | XA 402355N | 2605.1 | 2190 | 118 | 2460 | 2250 | 60 | 60 | 33 | 33 | 16 | 161 | 2576 | 7000 | 1070 | ||
| XOU40/2638 | XA 402638N | 2861.1 | 2492 | 118 | 2735 | 2540 | 104 | 104 | 26 | 26 | 16 | 177 | 2832 | 7300 | 1050 | ||
| XOU45/2815 | XA 452815N | 3096.8 | 2640 | 127 | 2930 | 2700 | 84 | 84 | 33 | 33 | 20 | 153 | 3060 | 9500 | 1490 | ||
| XOU45/2935 | XA 452935N | 3216.8 | 2760 | 127 | 3050 | 2820 | 84 | 84 | 33 | 33 | 20 | 159 | 3180 | 10000 | 1560 | ||
| XOU50/3005 | XA 503005N | 3272.8 | 2820 | 138 | 3130 | 2880 | 104 | 104 | 33 | 33 | 18 | 180 | 3240 | 12100 | 1720 | ||
| XOU45/3170 | XA 453170N | 3436.8 | 2995 | 127 | 3285 | 3055 | 92 | 92 | 33 | 33 | 20 | 170 | 3400 | 10600 | 1610 | ||
| XOU50/3365 | XA 503365N | 3632.8 | 3180 | 138 | 3490 | 3240 | 116 | 116 | 33 | 33 | 18 | 200 | 3600 | 13100 | 1920 | ||
| XOU50/3585 | XA 503585N | 3866.8 | 3400 | 138 | 3710 | 3460 | 124 | 124 | 33 | 33 | 18 | 213 | 3834 | 14500 | 2130 | ||
| XOU50/3765 | XA 503765N | 4046.8 | 3580 | 138 | 3890 | 3640 | 128 | 128 | 33 | 33 | 18 | 223 | 4014 | 15200 | 2240 | ||
| XOU50/4175 | XA 504175N | 4436.8 | 3970 | 138 | 4285 | 4030 | 144 | 144 | 33 | 33 | 20 | 220 | 4400 | 16800 | 2430 | ||
Drawings and other parameters ,pls contact us free, thanks
Market:
After years of development ,our products have been sent out to Germany ,Italy, Spain, Romania,Belgium,Israel,Russia,Korea,Mexico,India etc. Good quality and Service earn the constant supports from all our customers. any of your questions will be welcomed here any time.
Payment Terms:
Most of our customers use T/T( 40% in advance, Balance before shippment), Western Union ,Money Gram, for larger amount consider LC, all can be negotiable.
Many other precision bearings series available
Online shopping Address: www.ydpbbearings.com
|
|
XA 342253N Cross roller bearing XA 282304N slewing rings XA 402355 external gear XA 452815N replace INA brand XA 452935 Images |